Kod QR
Mengenai kita
Produk
Hubungi Kami


Faks
+86-574-87168065

E-mel

Alamat
Kawasan Perindustrian Luotuo, Daerah Zhenhai, Ningbo City, China
SWC-WF Raydafon tanpa flex flange jenis gandingan sejagat dibuat hanya untuk penghantaran tork tinggi dalam peralatan metalurgi, kren, sistem perlombongan, semua persediaan yang sukar. Ia mempunyai reka bentuk flange yang tidak fleksibel, diameter gyration dari 160mm hingga 640mm, dan jenis flange ini universal gandingan mengendalikan misalignments sudut besar ditambah kelajuan berputar berterusan tanpa masalah, walaupun ketika bekerja dalam keadaan yang sangat menuntut. Kami menggunakan keluli 35crmo kekuatan tinggi untuk membinanya, jadi ia menonjolkan beban sengit dengan sempurna-betul-betul mengapa ia merupakan pilihan utama untuk gandingan sejagat untuk jentera berat dan gandingan universal bukan flex untuk aplikasi perindustrian. Pembuatan ketepatan Raydafon memastikan ia memberikan prestasi yang kukuh setiap kali, terutamanya untuk industri yang tidak dapat berkompromi dengan penghantaran tork yang konsisten.
Gandingan universal SWC-WF ini dibina untuk bertahan, dengan sambungan flange tegar yang menjadikan pemasangan mudah dalam sistem seperti pemacu pembuatan kapal dan kilang-kilang rolling di mana pergerakan paksi tidak banyak. Kami mengikuti piawaian ISO 9001 dengan ketat, dan kilang kami yang berpangkalan di China menggunakan pemesinan lanjutan serta pemeriksaan kualiti yang ketat untuk menjadikan gandingan universal flange yang tahan lama ini. Ia datang dalam saiz yang disesuaikan, dengan penilaian tork sehingga 1250 kN · m, jadi ia sesuai dengan gandingan universal adat untuk peralatan metalurgi dan setup tugas berat yang lain. Raydafon juga menawarkan penyelesaian yang disesuaikan dengan harga yang kompetitif, membantu mengurangkan downtime dan meningkatkan kebolehpercayaan peralatan anda.
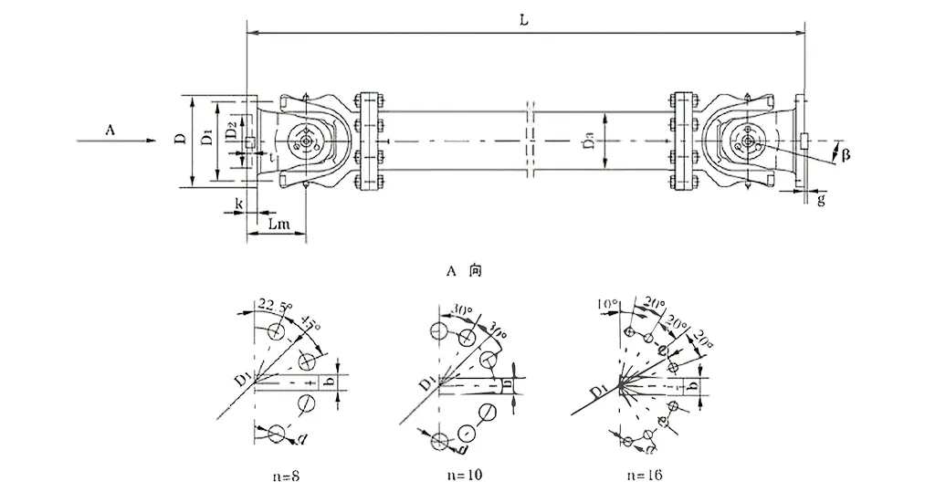
| Tidak | Gyration diameter d mm | Tork nominal Tn Kn · m | Sudut lipat paksi β (°) | Tork yang letih Tf Kn · m | Saiz (mm) | Berputar inersia KG.M2 | Berat (kg) | |||||||||||
| Lmin | D1 (JS11) | D2 (H7) | D3 | Lm | N-D | k | t | b (H9) | g | Lmin | Peningkatan 100mm | Lmin | Peningkatan 100mm | |||||
| SWC285WF | 285 | 90 | 45 | ≤15 | 810 | 245 | 170 | 194 | 160 | 8-21 | 27 | 7 | 40 | 15 | 2.664 | 0.051 | 220 | 6.3 |
| SWC315WF | 315 | 125 | 63 | 915 | 280 | 185 | 219 | 180 | 10-23 | 32 | 8 | 40 | 15 | 4.469 | 0.0795 | 300 | 8.0 | |
| SWC350WF | 350 | 180 | 90 | 980 | 310 | 210 | 267 | 194 | 10-23 | 35 | 8 | 50 | 16 | 7.388 | 0.2219 | 412 | 15.0 | |
| SWC390WF | 390 | 250 | 125 | 1100 | 345 | 235 | 267 | 215 | 10-25 | 40 | 8 | 70 | 18 | 13.184 | 0.2219 | 588 | 15.0 | |
| SWC440WF | 440 | 355 | 180 | 1290 | 390 | 255 | 325 | 260 | 16-28 | 42 | 10 | 80 | 20 | 23.250 | 0.4744 | 880 | 21.7 | |
| SWC490WF | 490 | 500 | 250 | 1360 | 435 | 275 | 325 | 270 | 16-31 | 47 | 12 | 90 | 22.5 | 40.750 | 0.4744 | 1173 | 21.7 | |
| SWC550WF | 550 | 710 | 355 | 1510 | 492 | 320 | 426 | 305 | 16-31 | 50 | 12 | 100 | 22.5 | 68.480 | 1.3570 | 1663 | 34.0 | |
| SWC620WF | 620 | 1000 | 500 | 1690 | 555 | 380 | 426 | 340 | 10-38 | 55 | 12 | 100 | 25 | 127.530 | 1.3570 | 2332 | 34.0 | |
* 1.
* 2. L-pemasangan panjang, yang mengikut keperluan.
SWC-WF Raydafon tanpa flex flange jenis gandingan bersama sejagat-juga dipanggil SWC Cardan Shaft Universal Bersama Gandingan-Works pada idea mekanikal asas: ia mendapat tork dari dua aci non-collinear ke mana ia perlu pergi, dan ia juga mengendalikan penyelarasan juga. Gandingan sendi universal yang tinggi ini menggunakan persediaan silang silang untuk menghubungkan bebibir di kedua-dua hujung, jadi walaupun aci diimbangi sehingga 25 darjah atau mempunyai sisihan paksi/radial, ia masih menggerakkan kuasa putaran dengan lancar.
Hati bagaimana ia berfungsi adalah reka bentuk bersama sejagat -ada aci silang yang bertindak seperti pivot, membiarkan setiap flange bergerak sendiri. Dengan cara itu, tork pergi dari aci memandu ke batang yang didorong dengan cekap, dan ia membentuk untuk misalignments sudut tanpa meletakkan terlalu banyak tekanan pada bahagian -bahagian yang disambungkannya. Sekiranya anda memerlukan gandingan bersama sejagat yang boleh dipercayai untuk operasi kilang rolling, struktur flange yang tidak fleksibel ini menyimpan perkara yang stabil, yang sesuai untuk sambungan jarak pendek dalam penyediaan jentera berat padat.
Apa yang membuat fungsinya menonjol adalah bahawa ia tidak mempunyai bahagian yang fleksibel atau ciri pengembangan -ini membezakannya daripada jenis lain dan menjadikannya hebat untuk tempat -tempat di mana pergerakan paksi adalah minimum. SWC yang tahan lama gandingan aci bersama sejagat yang kami gunakan dalam mengangkat dan peralatan pengendalian bahan bersandar pada prinsip ini untuk tetap seimbang walaupun di bawah beban besar; Ia mencecah kecekapan penghantaran sehingga 98.6% dan tidak membazirkan banyak tenaga. Gandingan bersama universal perindustrian ini juga mengurangkan getaran berkat gerakan galas yang tepat, jadi ia berjalan lancar walaupun dalam situasi tekanan tinggi-seperti sistem gandingan bersama jentera sejagat yang anda akan lihat dalam pekerjaan perindustrian yang sukar.
Selain itu, gandingan sendi universal yang berat SWC Raydafon telah mengimpal bebibir untuk menjadikannya lebih kukuh-tidak lebih membimbangkan tentang bolt yang longgar, dan ia meningkatkan kekuatan keseluruhan sebanyak 30% hingga 50%. Sebagai gandingan sendi sejagat yang cekap untuk penghantaran kuasa yang besar, ia mengendalikan torques nominal dari 0.15 hingga 1000 kN · m dan mempunyai diameter gyration dari φ58 hingga φ620-menjadikannya pilihan utama untuk menjimatkan penyelesaian gandingan sendi sejagat dalam menuntut transmisi perindustrian. Dan dengan bunyi yang disimpan di antara 30-40 dB (a), gandingan sendi universal yang rendah ini berjalan tenang, yang sesuai untuk tempat perindustrian di mana bunyi bising, semuanya sambil mengekalkan standard kebolehpercayaan yang tinggi.
Gandingan Bersama SWC Universal Raydafon -sering dipanggil SWC Cardan Shaft Universal bersama gandingan -bukan sekadar bahagian biasa; Ia mesti mempunyai persediaan perindustrian berat, seperti kilang rolling, jentera angkat, dan semua jenis sistem jentera berat yang sukar. Sebagai gandingan sendi sejagat yang tinggi, ia melakukan pekerjaan yang kukuh yang menghubungkan dua batang penghantaran yang tidak bersesuaian dengan sempurna, memastikan kuasa terus mengalir walaupun keadaan kerja menjadi kasar.
Mari kita bercakap tentang spesifikasi utamanya: Diameter gyration berkisar dari φ58 hingga φ620, tork nominal dari 0.15 hingga 1000 kN · m, dan sudut lipat paksi tidak lebih dari 25 °.
Produk ini benar-benar bersinar dalam senario tertentu-seperti apabila anda memerlukan gandingan bersama sejagat yang boleh dipercayai untuk operasi kilang rolling, atau gandingan aci bersama SWC yang tahan lama dalam mengangkat dan mengendalikan peralatan. Dalam kes ini, ia membuktikan kebolehannya dengan mengekalkan operasi yang stabil, walaupun ia berurusan dengan beban berat.
Gandingan Bersama Universal SWC Raydafon bukan hanya dibina untuk fungsi-ia direka bentuk dengan reka bentuk pintar untuk menahan penggunaan industri dan terus melaksanakan jangka panjang. Mari kita pecahkan apa yang membuatkan strukturnya menonjol.
Pertama, ia mempunyai konfigurasi yang munasabah dan selamat: Kami menggunakan reka bentuk kepala garpu bersepadu untuk gandingan bersama universal perindustrian ini, yang mengurangkan risiko seperti bolt yang datang longgar atau pecah. Itu sahaja meningkatkan integriti strukturnya sebanyak 30%-50%, jadi ia berfungsi dengan selamat dan boleh dipercayai. Berbanding dengan gandingan biasa, ia berlangsung lebih lama dan mengelakkan kerosakan biasa di bintik-bintik tekanan tinggi-seperti sistem gandingan sendi sejagat berat yang anda lihat dalam pekerjaan yang sukar.
Kemudian ada kapasiti galas beban yang dipertingkatkan: gandingan sendi universal yang berat SWC ini dibuat untuk mengendalikan berat besar, jadi ia mesti ada di tempat-tempat yang memerlukan pengurusan beban terkemuka, seperti jentera perlombongan atau pembinaan.
Ia juga memberikan kecekapan penghantaran yang tinggi -sehingga 98.6%. Sebagai gandingan sendi sejagat yang cekap untuk penghantaran kuasa yang besar, ia mengurangkan penggunaan tenaga dan kos yang datang dengannya. Itulah sebabnya ia adalah pilihan utama untuk penyelesaian gandingan bersama sejagat penjimatan tenaga dalam persediaan penghantaran industri tinggi.
Dan ia berjalan lancar dengan bunyi yang rendah: ia terus transmisi stabil, dan bunyi biasanya tetap antara 30-40 dB (a). Gandingan sendi sejagat yang rendah ini memastikan operasi tetap tenang, yang sesuai untuk tempat-tempat di mana bunyi bising adalah masalah-semua sambil mengekalkan kebolehpercayaan pada tahap yang tinggi.
⭐⭐⭐⭐⭐ Chen Liang, Jurutera Pengeluaran, Zhejiang Machinery Co., Ltd.
Kami meletakkan SWC-WF Raydafon tanpa flex flange jenis gandingan sejagat di salah satu barisan pengeluaran kami, dan ia telah berfungsi hebat setakat ini. Strukturnya yang mudah tetapi sukar dipasang ia adalah angin, tidak ada langkah yang rumit. Sebaik sahaja ia ditubuhkan, ia berjalan lancar, tidak perlu tweak tambahan. Walaupun berat beban, gandingan ini tetap dipercayai, yang bermaksud kita dapat mengekalkan mesin -mesin yang berjalan berjam -jam tanpa perlu risau -pasti memberi kita lebih ketenangan fikiran.
⭐⭐⭐⭐⭐ Sun Mei, Penyelia Pembelian, Hebei Steel Co., Ltd.
Syarikat kami membeli beberapa SWC-WF tanpa flex flange jenis gandingan sejagat dari Raydafon, dan pertama, penghantaran adalah tepat pada waktunya, dan pembungkusan itu juga berhati-hati-tidak ada kerosakan sama sekali. Apa yang benar -benar menonjol bagi saya adalah apa yang dikatakan oleh pasukan bengkel: mereka memberitahu saya gandingannya mudah dipasang, dan apabila menggunakannya, mereka berasa sangat kukuh. Plus, berbanding pembekal lain, harga di sini adalah adil. Semua dalam semua, kami sangat gembira dengan pembelian ini.
⭐⭐⭐⭐⭐ Guo Jun, Pengurus Penyelenggaraan, Liaoning Heavy Industry Group
Tugas saya adalah untuk memastikan mesin kami berjalan, dan saya cuba mengurangkan downtime sebanyak mungkin. Sejak kami mula menggunakan SWC-WF Raydafon tanpa flex flange jenis gandingan sejagat, saya perhatikan perbezaan yang tidak mempunyai pakaian yang tidak besar di bahagian, dan lebih sedikit masalah semasa operasi. Reka bentuk sukar, dan ia tidak memerlukan banyak penyelenggaraan. Itu menjimatkan masa dan wang kita, dan ia menjadi bahagian yang boleh dipercayai untuk peralatan kami.
Raydafon adalah anak syarikat utama Ever-Power Group Co., Ltd.-Kami bukan sekadar pembekal, tetapi penyedia untuk komponen penghantaran berkualiti tinggi dan penyelesaian perindustrian, dan kami memberi tumpuan kepada produk inovatif seperti gandingan sendi universal SWC Cardan. Sejak kami mula, kami telah memajukan teknologi dan berkembang di pasaran global; Kami tidak berhenti menjual komponen tunggal-kini kami membuat penyelesaian sistem penuh yang sesuai dengan keperluan perindustrian pertanian dan berat dengan sempurna. Pengetahuan kami dalam aci pemacu dan produk penghantaran bermakna pelanggan yang memerlukan gandingan bersama sejagat yang boleh dipercayai untuk operasi kilang rolling (dan pekerjaan yang sukar) boleh bergantung kepada kami sebagai rakan kongsi yang kukuh.
Di Raydafon, kami membuat pelbagai produk: gearbox, aci pemacu, silinder hidraulik, kendi, dan juga alat mesin canggih seperti pelaut CNC dan mesin penggilingan. Penyelesaian gandingan bersama sejagat kami yang tinggi-mengambil siri SWC, sebagai contoh-dibina untuk mengendalikan tuntutan ketat industri yang memerlukan gandingan aci bersama SWC yang tahan lama dalam mengangkat dan peralatan pengendalian bahan. Kami juga mendapat kemudahan canggih: Bengkel CNC, mesin pengisaran dan rawatan haba, alat pengukuran 3D-semua untuk melekat pada piawaian ISO9001/TS16949, jadi setiap gandingan bersama universal industri yang kami buat adalah berkualiti tinggi dan tepat.
Kami menjual 80% produk kami di luar negara, ke pasaran seperti AS, Jerman, Jepun, Itali, Malaysia, Australia, dan Timur Tengah. Dan kami mempunyai rangkaian yang kuat di tempat -tempat seperti China, Korea Selatan, UK, Singapura, AS, dan Sepanyol untuk menyokongnya. Jangkauan global ini membolehkan kami membuat penyelesaian yang disesuaikan, seperti gandingan bersama sejagat yang ditugaskan oleh SWC yang direka untuk sistem gandingan bersama sejagat sejagat yang perlu mengendalikan beban besar dan bertahan lama.
Inovasi dan membuat pelanggan gembira adalah keutamaan kami. Kami menawarkan penyelesaian gandingan sendi sejagat yang menjimatkan tenaga yang mencapai kecekapan penghantaran sehingga 98.6%, memotong kos operasi untuk persediaan kuasa tinggi. Sama ada anda memerlukan gandingan sendi sejagat yang cekap untuk penghantaran kuasa besar atau gandingan bersama sejagat yang rendah untuk tempat-tempat di mana bunyi bising, produk kami datang dengan perkhidmatan selepas jualan profesional-dan kami berdedikasi untuk melakukan perkara yang betul. Itulah sebabnya Raydafon adalah pilihan terbaik untuk semua keperluan penghantaran anda.
Alamat
Kawasan Perindustrian Luotuo, Daerah Zhenhai, Ningbo City, China
Tel
E-mel


+86-574-87168065


Kawasan Perindustrian Luotuo, Daerah Zhenhai, Ningbo City, China
Copyright © Raydafon Technology Group Co., terhad semua hak terpelihara.
Links | Sitemap | RSS | XML | Privacy Policy |
