Kod QR
Mengenai kita
Produk
Hubungi Kami


Faks
+86-574-87168065

E-mel

Alamat
Kawasan Perindustrian Luotuo, Daerah Zhenhai, Ningbo City, China
Raydafon's SWC-BF Standard Flex Flange Jenis Universal Coupling dibina untuk menggerakkan tork dengan pasti dalam mesin rolling yang berpengalaman, peralatan membuat kertas, pemacu perindustrian, semua persediaan yang memerlukan prestasi yang sukar. Ia mempunyai reka bentuk bebibir yang fleksibel, dengan diameter gyration antara 180mm hingga 620mm, dan gandingan universal flex standard ini mengendalikan misalignments sudut sehingga 15 darjah ditambah tork setinggi 1250 kN · m. Walaupun dalam menuntut persekitaran kerja, ia terus berjalan stabil, tiada drop-off. Kami membuatnya dengan keluli tahan karat 35crmo keluli dan ketepatan jarum, jadi ia sempurna sebagai gandingan sejagat untuk jentera perindustrian dan gandingan flange flex untuk peralatan berat-bergerak kuat, dan anda tidak dapat melihat sebarang getaran.
Pembuatan kami di China mengikuti piawaian ISO 9001, jadi gandingan universal SWC-BF berlangsung lama dan menentang kakisan-semua berkat aci salib bersalut kromnya. Sambungan bebibir menjadikan pemasangan mudah, yang merupakan bantuan besar dalam bidang seperti metalurgi, perlombongan, dan tempat pembuatan kapal di mana anda memerlukan fleksibiliti paksi sederhana. Kita boleh menyesuaikan saiz dan torknya juga, jadi gandingan universal flex yang tahan lama berfungsi dengan baik sebagai gandingan universal adat untuk kilang rolling dan keperluan perindustrian yang lain. Dan harganya kompetitif, tidak ada bayaran berlebihan. Pengetahuan Raydafon bermakna anda akan menghabiskan lebih sedikit masa untuk penyelenggaraan, dan peralatan anda akan tetap lebih dipercayai-pengendali sesuatu di seluruh dunia boleh bergantung kepada.
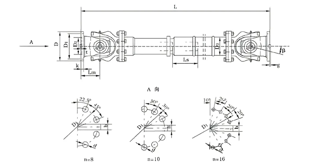
| Tidak | Gyration diameter d mm | Tork nominal Tn Kn · m | Sudut lipat paksi β (°) | Tork yang letih Tf Kn · m | Kuantiti flex Ls mm | Saiz (mm) | Berputar inersia KG.M2 | Berat (kg) | |||||||||||
| Lmin | D1 (JS11) | D2 (H7) | D3 | Lm | N-D | k | t | b (H9) | g | Lmin | Peningkatan 100mm | Lmin | Peningkatan 100mm | ||||||
| SWC180BF | 180 | 12.5 | 6.3 | ≤25 | 100 | 810 | 155 | 105 | 114 | 110 | 8-17 | 17 | 5 | -1.455 | - | 0.27 | 0.0070 | 80 | 2.8 |
| SWC225BF | 225 | 40 | 20 | ≤15 | 140 | 920 | 196 | 135 | 152 | 120 | 8-17 | 20 | 5 | 32 | 9 | 0.79 | 0.0234 | 138 | 4.9 |
| SWC250BF | 250 | 63 | 31.5 | 1035 | 218 | 150 | 168 | 140 | 8-19 | 25 | 6 | 40 | 12.5 | 1.46 | 0.0277 | 196 | 5.3 | ||
| SWC285BF | 285 | 90 | 45 | 1190 | 245 | 170 | 194 | 160 | 8-21 | 27 | 7 | 40 | 15 | 2.87 | 0.0510 | 295 | 6.3 | ||
| SWC315BF | 315 | 125 | 63 | 1315 | 280 | 185 | 219 | 180 | 10-23 | 32 | 8 | 40 | 15 | 5.09 | 0.0795 | 428 | 8.0 | ||
| SWC350BF | 350 | 180 | 90 | 150 | 1410 | 310 | 210 | 267 | 194 | 10-23 | 35 | 8 | 50 | 16 | 9.20 | 0.2219 | 632 | 15.0 | |
| SWC390BF | 390 | 250 | 125 | 170 | 1590 | 345 | 235 | 267 | 215 | 10-25 | 40 | 8 | 70 | 18 | 16.62 | 0.2219 | 817 | 15.0 | |
| SWC440BF | 440 | 355 | 180 | 190 | 1875 | 390 | 255 | 325 | 260 | 16-28 | 42 | 10 | 80 | 20 | 28.24 | 0.4744 | 1290 | 21.7 | |
| SWC490BF | 490 | 500 | 250 | 190 | 1985 | 435 | 275 | 325 | 270 | 16-31 | 47 | 12 | 90 | 22.5 | 46.33 | 0.4744 | 1631 | 21.7 | |
| SWC550BF | 550 | 710 | 355 | 240 | 2300 | 492 | 320 | 426 | 305 | 16-31 | 50 | 12 | 100 | 22.5 | 86.98 | 1.3570 | 2567 | 34.0 | |
| SWC620BF | 620 | 1000 | 500 | 240 | 2500 | 555 | 380 | 426 | 340 | 10-38 | 55 | 12 | 100 | 25 | 147.50 | 1.3570 | 3267 | 34.0 | |
Gandingan sejagat -juga dipanggil gandingan bersama sejagat -adalah bahagian mekanikal yang menggerakkan tork dan gerakan putaran antara dua aci yang mungkin tidak sesuai dengan sempurna. Mereka mengendalikan misalignments sudut, paksi, dan radial, sambil mengekalkan pemindahan kuasa yang cekap dalam kegunaan perindustrian yang berbeza. Di Raydafon, siri gandingan bersama SWC Cardan aci sejagat adalah contoh utama kejuruteraan terkemuka di sini, yang menawarkan penyelesaian gandingan bersama sejagat yang tinggi untuk bintik-bintik berat seperti kilang rolling dan jentera angkat.
Mari kita pecahkan jenis utama gandingan bersama sejagat:
Pertama adalah sendi sejagat tunggal. Ia mempunyai satu pivot berbentuk silang yang menghubungkan dua yokes, membiarkan aci mempunyai misalignment sudut sehingga 45 darjah. Ia berfungsi dengan baik untuk persediaan dengan offset yang sederhana, walaupun ia mungkin menyebabkan perubahan halaju. Gandingan sendi universal yang boleh dipercayai oleh Raydafon untuk operasi kilang rolling sering menggunakan reka bentuk bersama tunggal dalam membina kompak, jadi ia memegang hebat walaupun di bawah beban berat.
Kemudian ada sendi universal berganda. Ia mempunyai dua sendi tunggal yang dikaitkan bersama, yang mengendalikan misalignments yang lebih besar dan mengekalkan halaju penghantaran hampir tetap -sempurna untuk persediaan aci rumit. Apabila anda memerlukan gandingan aci bersama SWC yang tahan lama dalam mengangkat dan peralatan pengendalian bahan, model gabungan berganda Raydafon meningkatkan kestabilan dan mengurangkan getaran dalam sistem gandingan bersama universal industri tekanan tinggi.
Seterusnya ialah sendi universal teleskopik atau diperkembangkan. Ia mempunyai splines atau bahagian gelongsor yang membolehkan anda menyesuaikan panjang sementara juga mengimbangi misalignment, yang berfungsi untuk pergerakan paksi dalam setup dinamik. Gandingan sendi universal yang bertugas berat SWC Raydafon termasuk pilihan teleskopik-mereka bertindak sebagai gandingan bersama sejagat yang cekap untuk penghantaran kuasa besar di tempat-tempat seperti lombong atau tapak pembinaan, di mana anda memerlukan fleksibiliti dalam panjang aci.
Terdapat juga jenis hab pepejal, bosan, atau splined. Ini berbeza dengan cara mereka menyambung: hab pepejal tidak mempunyai lubang, hab yang bosan mempunyai bulat, hex, atau bukaan persegi, dan hab yang splined mempunyai alur untuk kesesuaian yang ketat. Untuk penyelesaian gandingan sendi sejagat yang menjimatkan tenaga, Raydafon menawarkan reka bentuk yang tersebar di barisan gandingan bersama sejagat kami yang rendah-mereka mengoptimumkan penghantaran tork dan menyimpan bunyi bising hingga 30-40 dB (a) di tempat perindustrian yang sensitif.
Gandingan bersama sejagat Raydafon, termasuk siri SWC, dibuat dengan reka bentuk kepala garpu bersepadu-tidak lebih banyak isu berkaitan bolt, yang meningkatkan kekuatan sebanyak 30%-50%dan mencecah kecekapan penghantaran sehingga 98.6%. Ciri-ciri ini menjadikan produk kami menjadi pilihan utama untuk profesional yang memerlukan penyelesaian yang disesuaikan dan berprestasi tinggi.
Coupling Universal -mengambil gandingan sendi universal SWC Cardan Raydafon sebagai contoh utama -membawa manfaat besar kepada sistem penghantaran perindustrian. Mereka menggerakkan tork dengan berkesan antara aci yang tidak diselaraskan, mengendalikan semua jenis penyimpangan, dan mereka adalah mustahak untuk menjaga operasi berjalan lancar dalam persekitaran yang sukar-seperti yang memerlukan penyelesaian gandingan sendi universal yang tinggi.
Mari kita menyelam kelebihan utama mereka: Pertama, mereka hebat untuk mengimbangi misalignment. Gandingan universal mengendalikan misalignments sudut, paksi, dan radial sehingga 25 darjah, yang menjadikan mereka gandingan sendi sejagat yang boleh dipercayai untuk operasi kilang rolling. Mereka melakukan ini tanpa menambah terlalu banyak tekanan mekanikal atau getaran, jadi jentera anda tetap dilindungi.
Kemudian ada ketahanan yang sukar dan hayat perkhidmatan yang panjang. Kami membina gandingan ini dengan reka bentuk kepala garpu bersepadu dan bahan-bahan kekuatan tinggi, yang mengurangkan risiko seperti bolt yang datang longgar atau melanggar integriti struktur sebanyak 30%-50%. Itulah sebabnya gandingan aci bersama SWC yang tahan lama dalam mengangkat dan peralatan pengendalian bahan berfungsi dengan baik untuk jangka masa panjang dalam keadaan yang keras; Ia mengatasi model tradisional dengan tembakan panjang.
Mereka juga mempunyai kapasiti beban dan tork yang terkemuka. Kejuruteraan untuk memegang berat berat dan menghantar tork nominal dari 0.15 hingga 1000 kN · m, gandingan bersama universal industri bersinar dalam sistem gandingan bersama sejagat sejagat. Dalam persediaan ini, prestasi yang konsisten di bawah beban yang melampau adalah membuat-atau-pecah, dan gandingan ini menyampaikan setiap masa.
Apabila ia datang kepada kecekapan penghantaran kuasa, mereka sukar untuk ditewaskan. Memukul sehingga kecekapan 98.6%, gandingan bersama sejagat SWC berat membuat kehilangan tenaga rendah. Itu menjadikannya gandingan bersama sejagat yang cekap untuk penghantaran kuasa besar dalam aplikasi perindustrian kuasa tinggi, dan dari masa ke masa, kecekapan itu menambah sehingga penjimatan kos sebenar.
Akhir sekali, mereka menjimatkan tenaga dan berlari tenang. Sebagai penyelesaian gandingan bersama sejagat penjimatan tenaga, mereka mengurangkan penggunaan elektrik, dan mereka beroperasi pada hanya 30-40 dB (A). Gandingan sendi universal yang rendah ini sangat sesuai untuk tempat perindustrian di mana bunyi bising adalah kebimbangan-anda mendapat semua kebolehpercayaan yang anda perlukan tanpa operasi yang kuat.
Gandingan sejagat -kebanyakan orang memanggil gandingan bersama sejagat -kerja pada idea mekanikal yang mudah tetapi berkesan: mereka menggerakkan tork dan gerakan putaran antara dua aci yang tidak bersatu dengan sempurna, mengendalikan misalignments sudut, paksi, dan radial tanpa melepaskan pukulan. Ambil gandingan sendi universal SWC Cardan Raydafon, contohnya -ini merupakan pameran yang hebat dari prinsip ini. Ia menggunakan pivot berbentuk silang (kita sering menyebutnya labah-labah) untuk menyambungkan yok pada setiap aci, jadi kuasa memindahkan lancar walaupun dalam persediaan perindustrian yang sibuk.
Hati bagaimana ia berfungsi adalah pivot silang: ia membolehkan yokes berputar secara bebas, yang membentuk aci sehingga 25 darjah sambil mengekalkan penghantaran tork konsisten. Gandingan sendi universal yang tinggi ini juga mengekalkan perubahan kelajuan putaran minimum-terutamanya apabila ia adalah reka bentuk bersama ganda-jadi ia sesuai untuk pekerjaan yang memerlukan gandingan bersama sejagat yang boleh dipercayai untuk operasi kilang rolling. Dan dengan siri SWC Raydafon, kami menambah reka bentuk kepala garpu bersepadu untuk menjadikan mekanisme ini lebih baik: ia menghilangkan masalah seperti bolt yang datang longgar, meningkatkan kekuatan struktur sebanyak 30%-50%, dan membantu ia bertahan lebih lama di tempat bertekanan tinggi.
Prinsip ini juga menyokong kapasiti galas beban yang hebat. Gandingan mengendalikan tork nominal dari 0.15 hingga 1000 kN · m, dengan diameter gyration antara φ58 dan φ620 -itulah sebabnya gandingan aci bersama SWC yang tahan lama dalam mengangkat dan peralatan pengendalian bahan adalah pilihan yang kukuh untuk operasi yang sukar. Selain itu, gandingan bersama universal industri mencecah sehingga 98.6% kecekapan penghantaran, mengurangkan penggunaan tenaga dalam sistem gandingan bersama sejagat sejagat.
Lebih-lebih lagi, gandingan sendi universal yang berat SWC Raydafon mempunyai ciri-ciri yang sepadan dengan fokus prinsip pada operasi yang lancar: ia terus transmisi stabil, dan bunyi bising antara 30-40 dB (a). Ini menjadikannya gandingan bersama sejagat yang cekap untuk penghantaran kuasa besar, dan penyelesaian gandingan bersama sejagat penjimatan tenaga untuk persediaan perindustrian tinggi. Segala-galanya, gandingan sendi universal yang rendah ini menyimpan perkara-perkara yang tenang, jadi ia berfungsi hebat di tempat-tempat di mana bunyi bising adalah kebimbangan-tanpa mengorbankan kebolehpercayaan.
⭐⭐⭐⭐⭐ Li Jun, Jurutera Kanan, Jiangsu Power Equipment Co., Ltd.
Kami telah menggunakan Raydafon's SWC-BF standard flex flange jenis gandingan sejagat selama beberapa bulan sekarang, dan ia telah melakukan yang hebat. Apa yang paling menonjol adalah fleksibiliti gandingan ini -ia menjadikan jentera kami cara yang lebih dipercayai, terutamanya ketika datang untuk mengimbangi misalignment aci. Memasangnya adalah proses yang lancar, tidak ada langkah yang rumit, dan kualiti kimpalan juga kelihatan kukuh -pasti memberi kita ketenangan fikiran bahawa ia akan bertahan. Untuk harga, ia adalah nilai yang sangat baik, dan jika anda berada dalam industri jentera berat, saya benar -benar mengesyorkan gandingan universal fleksibel ini.
⭐⭐⭐⭐⭐ John Davis, jurutera mekanikal, Manchester Engineering Ltd., UK
Di kemudahan Manchester kami, kami bertukar gandingan lama untuk gandingan flex flex standard SWC-BF Raydafon, dan perbezaannya jelas sekali. Gandingan sejagat ini bergerak kuasa dengan lancar dan cekap, walaupun ketika kita menjalankannya dalam keadaan tekanan tinggi-ia tidak pernah menyimpang. Fleksibiliti yang dipasangkan dengan reka bentuk yang sukar membuat jentera kami berjalan tanpa halangan. Selain itu, Raydafon mendapat penghantaran kepada kami dengan cepat, dan perkhidmatan pelanggan mereka adalah yang paling baik-membuat keseluruhan pengalaman pembelian yang lebih baik. Sangat mengesyorkan gandingan universal flex flex ini!
⭐⭐⭐⭐⭐ Matteo Rossi, Pengurus Operasi, Penyelesaian Perindustrian Milan, Itali
Kami sedang memburu gandingan sejagat yang boleh mengendalikan misalignments dengan baik, dan itulah bagaimana kami mendapati Raydafon's SWC-BF standard flex flange jenis gandingan sejagat. Kami telah menggunakannya selama beberapa minggu sekarang, dan saya boleh mengatakan dengan pasti ia memeriksa semua kotak kami. Memasangnya adalah mudah, tidak ada masalah tambahan, dan walaupun kita meletakkannya melalui keadaan yang mencabar, ia memegang. Kualiti ini luar biasa untuk harga -pasti pelaburan pintar untuk jentera kami. Saya sangat gembira dengan kedua -dua produk dan perkhidmatan Raydafon memberi kami.
Raydafon bukan sekadar pengeluar-kami adalah pembekal terkemuka komponen transmisi peringkat atas dan penyelesaian jentera perindustrian, dan kami mendapat kepakaran yang mendalam dalam produk seperti gandingan sendi universal SWC Cardan. Kami bermula dengan inovasi dan kualiti di teras kami, dan dari masa ke masa, kami telah mengembangkan barisan kami untuk memasukkan kotak gear, aci pemacu, silinder hidraulik, kendi, dan alat mesin canggih-semua dibina untuk memenuhi tuntutan yang sukar bagi industri pertanian dan berat. Penyelesaian gandingan bersama sejagat kami yang tinggi disusun dengan berhati-hati, memastikan pemindahan tork dengan lancar dan misalignments ditangani dengan betul-mereka mesti mempunyai mutlak untuk pelanggan yang memerlukan gandingan bersama sejagat yang boleh dipercayai untuk operasi kilang rolling.
Kemudahan pengeluaran kami adalah canggih: kami mempunyai bengkel CNC, gear rawatan pengisaran dan haba, dan sistem pengukuran 3D. Kami berpegang pada standard yang ketat seperti ISO9001/TS16949, jadi setiap gandingan bersama universal industri yang kami buat adalah tepat dan dibina untuk bertahan. Ambil gandingan aci sendi SWC yang tahan lama kami dalam mengangkat dan peralatan pengendalian bahan, contohnya-ia dioptimumkan untuk tempat-tempat yang memerlukan kuasa beban yang serius. Dan gandingan bersama sejagat SWC kami? Ia menyelesaikan masalah dalam jentera berat sistem gandingan bersama sejagat, di mana tetap stabil di bawah keadaan yang melampau adalah tidak boleh dirunding.
Kami juga besar dalam jangkauan global -80% produk kami dieksport ke pasaran seperti AS, Jerman, Jepun, Itali, Malaysia, Australia, dan Timur Tengah. Kami mempunyai rangkaian yang kuat di seluruh China, Korea Selatan, UK, Singapura, AS, dan Sepanyol, yang membolehkan kami membuat gandingan bersama sejagat yang cekap untuk pilihan penghantaran kuasa yang besar. Ini disesuaikan dengan keperluan khusus, seperti penyelesaian gandingan bersama sejagat yang menjimatkan tenaga yang mencecah sehingga 98.6% kecekapan penghantaran-memotong penggunaan tenaga dalam persediaan kuasa tinggi.
Kemampanan dan perkara inovasi yang berfokus kepada pelanggan kepada kami. Itulah sebabnya kami menawarkan pilihan gandingan sendi universal yang rendah yang menyimpan bunyi antara 30-40 dB (a) -pengfect untuk bintik-bintik perindustrian di mana bunyi bising. Dan kami kembali semuanya dengan sokongan selepas jualan penuh. Komitmen kami untuk melakukan perkara yang betul menjadikan Raydafon sebagai rakan kongsi yang boleh dipercayai dalam industri penghantaran, membantu para profesional mendapatkan prestasi terbaik dan kebolehpercayaan dari peralatan mereka.
Alamat
Kawasan Perindustrian Luotuo, Daerah Zhenhai, Ningbo City, China
Tel
E-mel


+86-574-87168065


Kawasan Perindustrian Luotuo, Daerah Zhenhai, Ningbo City, China
Copyright © Raydafon Technology Group Co., terhad semua hak terpelihara.
Links | Sitemap | RSS | XML | Privacy Policy |
