Kod QR
Mengenai kita
Produk
Hubungi Kami


Faks
+86-574-87168065

E-mel

Alamat
Kawasan Perindustrian Luotuo, Daerah Zhenhai, Ningbo City, China
Raydafon's SWC-DH Flex Welding Jenis Universal Gandingan Universal dibina untuk menghubungkan aci yang salah dalam gear tugas berat-memikirkan kilang, hoists, dan mesin pemprosesan keluli. Ia adalah gandingan universal flex pendek yang padat, dengan diameter gyration yang berkisar antara 45mm hingga 390mm. Walaupun aci dimatikan sehingga 25 darjah (misalignment sudut), ia masih bergerak tork dengan cekap -memaksakan pada 1000 kn · m, yang sesuai dengan keperluan kuasa peralatan berat.
Kami membuatnya dengan keluli 35crmo kekuatan tinggi dan menambah empat galas jarum, jadi ia memegang di bawah beban berat. Itulah sebabnya ia adalah pilihan yang kukuh untuk gandingan universal jentera perindustrian, dan berfungsi hebat sebagai peralatan berat yang dikimpal universal di tempat di mana beban tetap tinggi tanpa henti. Reka bentuk pendeknya adalah sempurna untuk mesin dengan sedikit ruang untuk pergerakan paksi, juga-memberikan penetapan penghantaran yang sukar untuk ruang perindustrian yang sukar.
Pengilang Raydafon yang berpangkalan di China dengan pensijilan ISO 9001, jadi kami berpegang pada peraturan kualiti yang ketat untuk setiap gandingan sejagat SWC-DH. Aci salib mendapat plat krom untuk melawan kakisan, jadi ia berlangsung walaupun keadaannya keras. Kuk yang dikimpal membuat pemasangan lebih mudah, juga -hanya menyusun aci dengan betul, dan ia berfungsi dengan sebaik -baiknya. Anda akan dapati ia di gear dalam sistem metalurgi, perlombongan, dan kren, tidak ada masalah.
Plus, gandingan ini datang dalam pelbagai saiz dan penilaian tork. Sekiranya anda memerlukan gandingan sejagat adat untuk jentera perindustrian -katakan, untuk penuai atau peralatan khusus lain -kami dapat menyesuaikannya dengan keperluan anda, dan harga tetap bersaing. Kami mempunyai pengetahuan pembuatan untuk membuat gandingan flex pendek ini mengurangkan pada waktu downtime peralatan, jadi mesin anda berjalan lebih banyak secara keseluruhan.
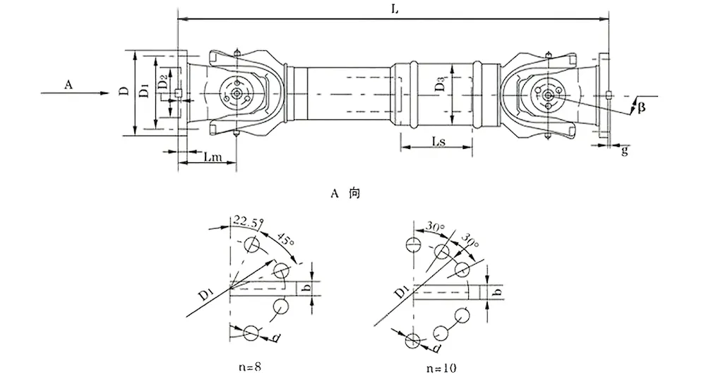
| Tidak | Gyration diameter d mm | Tork nominal Tn Kn · m | Sudut lipat paksi β (°) | TF TF Kn · m | Kuantiti flex Ls mm | Saiz (mm) | Berputar inersia KG.M2 | Berat (kg) | |||||||||||
| Lmin | D1 (JS11) | D2 (H7) | D3 | Lm | N-D | k | t | b (H9) | g | Lmin | Peningkatan 100mm | Lmin | Peningkatan 100mm | ||||||
| SWC180DH1 | 180 | 20 | 10 | ≤25 | 75 | 650 | 155 | 105 | 114 | 110 | 8-17 | 17 | 5 | - | - | 0.165 | 0.0070 | 58 | 2.8 |
| SWC180DH2 | 55 | 600 | 0.162 | 56 | |||||||||||||||
| SWC180DH3 | 40 | 550 | 0.160 | 52 | |||||||||||||||
| SWC225DH1 | 225 | 40 | 20 | ≤15 | 85 | 710 | 196 | 135 | 152 | 120 | 20 | 5 | 32 | 9.0 | 0.415 | 0.0234 | 95 | 4.9 | |
| SWC225DH2 | 70 | 640 | 0.397 | 92 | |||||||||||||||
| SWC250DH1 | 250 | 63 | 31.5 | ≤15 | 100 | 795 | 218 | 150 | 168 | 140 | 8-19 | 25 | 6 | 40 | 12.5 | 0.900 | 0.0277 | 148 | 5.3 |
| SWC250DH2 | 70 | 735 | 0.885 | 136 | |||||||||||||||
| SWC285DH1 | 285 | 90 | 45 | ≤15 | 120 | 950 | 245 | 170 | 194 | 160 | 8-21 | 27 | 7 | 40 | 15.0 | 1.876 | 0.0510 | 229 | 6.3 |
| SWC285DH2 | 80 | 880 | 1.801 | 221 | |||||||||||||||
| SWC315DH1 | 315 | 125 | 63 | ≤15 | 130 | 1070 | 280 | 185 | 219 | 180 | 10-23 | 32 | 8 | 40 | 15.0 | 3.331 | 0.0795 | 346 | 8.0 |
| SWC315DH2 | 90 | 980 | 3.163 | 334 | |||||||||||||||
| SWC350DH1 | 350 | 180 | 90 | ≤15 | 140 | 1170 | 310 | 210 | 267 | 194 | 10-23 | 35 | 8 | 50 | 16.0 | 6.215 | 0..2219 | 508 | 15.0 |
| SWC350DH2 | 90 | 1070 | 5.824 | 485 | |||||||||||||||
| SWC390DH1 | 390 | 250 | 125 | ≤15 | 150 | 1300 | 345 | 235 | 267 | 215 | 10-25 | 40 | 8 | 70 | 18.0 | 11.125 | 0.2219 | 655 | |
| SWC390DH2 | 90 | 1200 | 10.763 | 600 | |||||||||||||||
* 1. * 2. Lmin-panjangnya selepas potongan. * 3. L-pemasangan panjang, yang mengikut keperluan
Gandingan sendi sejagat SWC, yang sering dipanggil SWC Cardan Shaft Universal Bersama Gandingan, adalah komponen utama dalam senario perindustrian berat. Ia sangat diperlukan untuk kilang rolling, jentera angkat, dan pelbagai sistem jentera berat berskala besar. Sebagai gandingan sendi sejagat yang tinggi, ia dapat menghubungkan dua batang penghantaran secara berkesan dengan paksi bukan milik, memastikan penghantaran kuasa yang tidak terganggu walaupun di bawah keadaan kerja yang kompleks dan keras.
Parameter teknikal teras gandingan ini adalah seperti berikut:
Diameter gyration: φ58 - φ620
Tork nominal: 0.15 - 1000 kN · m
Sudut lipat paksi: ≤25 °
Dalam aplikasi praktikal, ia berfungsi dengan baik. Contohnya, semasa operasi kilang rolling, apabila gandingan bersama sejagat yang boleh dipercayai yang didedikasikan untuk rolling mills diperlukan, atau dalam mengangkat dan peralatan pengendalian bahan, apabila gandingan aci bersama SWC yang tahan lama diperlukan, produk ini sepenuhnya kompeten. Walaupun di bawah beban berat, ia dapat mengekalkan kestabilan operasi peralatan.
Gandingan Bersama SWC Universal direka menggunakan prinsip -prinsip kejuruteraan maju, memberikan prestasi yang luar biasa dan hayat perkhidmatan yang lebih lama dalam persekitaran perindustrian. Ciri -ciri struktur utamanya adalah seperti berikut:
Struktur yang munasabah dan selamat: Memaparkan reka bentuk kepala garpu bersepadu, gandingan bersama universal industri ini mengurangkan risiko bolt melonggarkan atau pecah, meningkatkan kekuatan struktur sebanyak 30%-50%. Reka bentuk ini memastikan operasi yang selamat dan boleh dipercayai, memanjangkan hayat perkhidmatan berbanding dengan model tradisional, dan menghalang kegagalan biasa dalam senario tekanan tinggi seperti sistem gandingan bersama jentera berat.
Kapasiti Bahan Beban yang Dipertingkatkan: Gandingan Bersama Universal Berat SWC direka khusus untuk menanggung beban berat, menjadikannya penting dalam senario yang memerlukan pengurusan beban yang sangat baik seperti jentera perlombongan atau pembinaan.
Kecekapan penghantaran yang tinggi: Dengan kecekapan sehingga 98.6%, gandingan bersama sejagat yang cekap untuk penghantaran kuasa tinggi dengan ketara mengurangkan penggunaan tenaga dan kos yang berkaitan, menjadikannya pilihan pertama untuk penyelesaian gandingan bersama sejagat penjimatan tenaga dalam sistem penghantaran industri tinggi.
Operasi yang stabil dengan bunyi yang rendah: Gandingan sendi universal yang rendah ini beroperasi dengan tahap bunyi bising biasanya antara 30-40 dB (a), memastikan prestasi yang tenang. Ia sesuai untuk persekitaran sensitif bunyi sambil mengekalkan kebolehpercayaan yang tinggi.
Gandingan sendi sejagat, terutamanya gandingan sendi universal SWC Cardan, telah menjadi komponen penghantaran yang sangat diperlukan dalam aplikasi perindustrian kerana kelebihan tertunggak mereka. Mereka dapat memenuhi keperluan teras dengan prestasi mereka dalam bidang seperti jentera berat, pembuatan ketepatan, dan penghantaran tenaga. Berikut adalah analisis terperinci mengenai kelebihan utama mereka:
1. Penghantaran tork yang kuat dan pampasan misalignment yang sangat baik
Sebagai gandingan sendi sejagat yang tinggi, ia boleh menghantar beban kuasa tinggi. Malah dalam senario di mana misalignment aci sering berlaku semasa operasi kilang rolling-seperti offset paksi yang disebabkan oleh pakaian roller dan perubahan suhu semasa rolling keluli-ini gandingan sendi sejagat yang boleh dipercayai untuk operasi kilang rolling dapat mengendalikannya dengan mudah. Ia secara serentak boleh mengimbangi misalignments sudut, paksi, dan radial, dengan misalignment sudut maksimum sehingga 25 darjah. Kesesuaian misalignment yang sangat baik ini menghalang kesesakan penghantaran yang disebabkan oleh misalignment aci, memastikan penghantaran kuasa yang berterusan dan stabil, dengan ketara mengurangkan kebarangkalian kegagalan mekanikal di bawah keadaan kerja yang melampau, dan menjamin operasi berterusan garis pengeluaran.
2. Ketahanan yang tinggi dan hayat perkhidmatan yang lebih lama
Reka bentuk dan pemilihan bahan SWC gandingan bersama sejagat berpusat pada "menentang beban berat dan menanggung persekitaran yang keras". Badan utama diperbuat daripada keluli aloi kekuatan tinggi, digabungkan dengan struktur kepala garpu bersepadu, yang secara asasnya mengurangkan titik kegagalan biasa seperti bolt melonggarkan dan kerosakan komponen. Mengambil gandingan aci bersama SWC yang tahan lama yang digunakan dalam mengangkat dan peralatan pengendalian bahan sebagai contoh, ia dapat menahan beban impak serta -merta ketika mengangkat objek berat dan mengekalkan prestasi yang stabil dalam persekitaran yang keras seperti habuk dan suhu tinggi. Berbanding dengan gandingan struktur split tradisional, gandingan bersama universal industri ini mempunyai kekuatan keseluruhan meningkat sebanyak 30%-50%, yang bukan sahaja mengurangkan kekerapan penyelenggaraan harian tetapi juga memanjangkan hayat perkhidmatan sebanyak 2-3 tahun. Ia amat sesuai untuk keperluan operasi tinggi jangka panjang sistem gandingan bersama sejagat sejagat.
3. Kecekapan penghantaran yang tinggi dan kesan penjimatan tenaga yang signifikan
Ujian telah menunjukkan bahawa kecekapan penghantaran gandingan sendi universal yang berat SWC adalah setinggi 98.6%, yang mempunyai kelebihan yang jelas dalam senario penghantaran industri tinggi-seperti peminat relau letupan di loji keluli dan sistem penyampaian arang batu di loji kuasa. Untuk peralatan yang memerlukan penghantaran kuasa tinggi yang berterusan, yang sepadan dengan gandingan sendi sejagat yang cekap untuk penghantaran kuasa yang besar ini dapat meminimumkan kehilangan kuasa. Bagi perusahaan yang mengejar penyelesaian gandingan sendi sejagat penjimatan tenaga, kecekapan yang tinggi ini dapat ditukar secara langsung kepada kelebihan kos: mengambil motor perindustrian 1500kw sebagai contoh, ia dapat menjimatkan lebih dari 12,000 yuan dalam kos elektrik setiap tahun, dan dapat membantu perusahaan mengurangkan kos operasi yang besar, sementara pemakaian tenaga.
4. Operasi yang stabil dan tenang, sesuai untuk pelbagai senario
Dengan mengoptimumkan ketepatan yang sesuai dan menggunakan gris pelincir dengan pekali geseran yang rendah, bunyi operasi gandingan sendi universal yang rendah ini dikawal dengan ketat pada 30-40 dB (a), yang bersamaan dengan tahap bunyi ambien di pejabat harian dan sepenuhnya mematuhi piawaian pelepasan bunyi situs industri. Dalam senario sensitif bunyi-seperti garis pengeluaran dalam loji pemprosesan makanan dan menyampaikan peralatan untuk komponen elektronik ketepatan-ia bukan sahaja dapat memastikan kestabilan dan kebolehpercayaan sistem penghantaran tetapi juga mengelakkan mempengaruhi persekitaran bengkel atau pengalaman operasi pekerja akibat bunyi bising. Pada masa yang sama, ciri -ciri penghantaran yang stabil juga boleh mengurangkan haus komponen sekitar yang disebabkan oleh getaran peralatan, meningkatkan lagi kestabilan operasi dan hayat perkhidmatan keseluruhan sistem pengeluaran.
Jenis kimpalan SWC-DH pendek gandingan sejagat, yang sering disebut sebagai gandingan sendi universal SWC Cardan, kebanyakannya digunakan dalam senario jentera berat seperti rolling mills dan hoists. Peralatan jenis ini mempunyai keperluan yang sangat tinggi untuk kompak struktur dan fleksibiliti -hanya dengan memenuhi kedua -dua titik ini dapat operasi yang cekap dapat dicapai, dan gandingan ini sempurna memenuhi keperluan tersebut. Sebagai gandingan sendi sejagat yang tinggi, ia dapat menghubungkan dua batang penghantaran secara berkesan dengan paksi bukan milik, memastikan penghantaran kuasa yang lancar walaupun dalam persekitaran perindustrian yang keras yang memerlukan pampasan yang tepat untuk misalignment sistem aci.
Dalam aplikasi praktikal, sama ada gandingan sendi sejagat yang boleh dipercayai untuk operasi kilang rolling diperlukan semasa kerja rolling kilang, atau gandingan shaft bersama SWC yang tahan lama diperlukan dalam mengangkat dan peralatan pengendalian bahan, produk ini dapat dilakukan dengan baik-ia dapat mengekalkan operasi peralatan yang stabil walaupun di bawah beban yang melampau. Kelebihan penyesuaiannya sangat menonjol dalam susun atur peralatan padat di mana ruang terhad dan reka bentuk struktur fleksibel pendek diperlukan.
Gandingan bersama Universal Industrial SWC-DH ini dibina dengan teknologi kejuruteraan maju dan dioptimumkan untuk prestasi dan hayat perkhidmatan khusus untuk senario perindustrian. Ciri struktur terasnya terletak pada reka bentuk yang munasabah dan selamat: struktur kepala garpu bersepadu secara asasnya menghapuskan bahaya tersembunyi bolt melonggarkan atau pecah, meningkatkan kekuatan keseluruhan sebanyak 30%-50%. Reka bentuk ini bukan sahaja memastikan keselamatan dan kebolehpercayaan operasi tetapi juga memanjangkan hayat perkhidmatan berbanding dengan model tradisional, sambil mengelakkan masalah kegagalan biasa dalam senario aplikasi tekanan tinggi seperti sistem gandingan bersama jentera berat.
Di samping itu, kapasiti galas bebannya dipertingkatkan melalui reka bentuk untuk menahan berat yang lebih besar, jadi gandingan sendi universal yang berat SWC ini sangat sesuai untuk senario dengan keperluan ketat ke atas kapasiti galas beban, seperti jentera perlombongan dan peralatan pembinaan. Dari segi kecekapan penghantaran, ia mencapai sehingga 98.6%. Sebagai gandingan sendi sejagat yang cekap untuk penghantaran kuasa yang besar, ia dapat mengurangkan penggunaan tenaga dan kos elektrik dengan ketara, menjadikannya produk pilihan untuk penyelesaian gandingan bersama sejagat yang menyelamatkan tenaga dalam bidang penghantaran industri tinggi.
Akhirnya, gandingan ini mempunyai penghantaran yang stabil, dengan bunyi operasi biasanya dikawal pada 30-40 dB (a), menjadikannya gandingan bersama sejagat yang rendah. Ciri ini membolehkannya beroperasi secara diam-diam walaupun dalam senario perindustrian sensitif bunyi sambil mengekalkan kebolehpercayaan yang tinggi pada setiap masa.
⭐⭐⭐⭐⭐ Wang Lei, Jurutera Projek, Guangdong Heavy Machinery Co., Ltd.
Kami telah menggunakan Raydafon's SWC-DH Flex Welding jenis gandingan sejagat di jentera berat kami untuk sementara waktu sekarang, dan ia menjadi kejutan yang menyenangkan-terutamanya apabila ia sesuai dengan tempat yang ketat. Peralatan kami mempunyai ruang yang cukup terhad untuk bahagian penghantaran, tetapi reka bentuk padat gandingan ini sesuai seperti sarung tangan, tidak perlu menyusun semula komponen lain hanya untuk menjadikannya berfungsi.
Apa yang lebih baik ialah ia tidak mengorbankan prestasi untuk saiz. Ia masih memberikan penghantaran tork yang kuat dan mantap untuk operasi tugas berat kami. Kami telah menjalankannya secara berterusan selama berminggu -minggu, dan terdapat getaran sifar yang tidak normal; Seluruh sistem tetap lancar. Kualiti kimpalan adalah satu lagi kemuncak juga-anda boleh memberitahu ia pepejal hanya dengan melihatnya, yang memberi kita keyakinan penuh ia akan memegang penggunaan berat jangka panjang. Untuk gandingan yang mengimbangi reka bentuk dan kebolehpercayaan penjimatan ruang, ini adalah pemenang.
⭐⭐⭐⭐⭐ Zhao Ming, Pengurus Perolehan, Tianjin Steel Equipment Co., Ltd.
Kami baru-baru ini mengarahkan beberapa gandingan SWC-DH dari Raydafon, dan saya katakan, proses perolehan keseluruhan adalah angin-tiada sakit kepala, tidak ada kelewatan. Dari saat kami menghantar pesanan, pasukan mereka responsif, dan penghantaran muncul tepat pada tarikh yang dijadualkan, yang merupakan tambah besar untuk menjaga pengeluaran kami di landasan yang betul. Pembungkusan itu juga terkemuka: setiap gandingan dibalut dengan selamat, tiada penyok atau kerosakan semasa penghantaran-hanya bersedia untuk unbox dan memasang.
Pasukan teknikal kami mengendalikan persediaan, dan mereka menyebut dengan segera betapa mudahnya untuk dilancarkan. Tidak ada langkah yang rumit, tidak perlu memburu alat khas -mereka mendapatnya dengan cepat, dan ia telah berjalan dengan pasti sejak itu. Apabila anda faktor dalam harga yang berpatutan yang dipasangkan dengan prestasi yang konsisten ini, jelas gandingan ini menawarkan nilai yang hebat. Kami sudah merancang untuk menyimpannya dalam senarai perolehan biasa kami; Ia adalah jenis produk yang menjadikan pekerjaan saya sebagai pembeli lebih mudah.
⭐⭐⭐⭐⭐ Liu Hong, Pengarah Penyelenggaraan, Shandong Industrial Group
Sebagai seseorang yang mengawasi penyelenggaraan peralatan, keutamaan saya yang paling besar adalah memotong waktu dan mengurangkan masa pasukan saya menghabiskan bahagian servis. Gandingan SWC-DH Raydafon memeriksa kedua-dua kotak tersebut dengan sempurna. Kami menggunakannya dalam peralatan yang berjalan di bawah beban kerja yang berat setiap hari, dan ia tidak pernah tergelincir atau beralih -tetap tegas di tempat, tiada sambungan longgar. Walaupun selepas berbulan -bulan penggunaan, hampir tidak ada tanda -tanda haus, yang merupakan kontras yang besar dengan gandingan lain yang telah kami gunakan sebelum ini.
Dengan gandingan yang lebih tua, kami sentiasa menjadualkan perbaikan cepat atau penggantian bahagian, yang memakan masa pengeluaran dan menambah kos. Yang ini? Kami hampir tidak menyentuhnya -tiada servis yang kerap, tiada kerosakan yang tidak dijangka. Ia menyelamatkan kita begitu banyak masa dan wang untuk penyelenggaraan, dan ia terus melakukan tugasnya dengan pasti. Hari-hari ini, ia menjadi komponen dalam operasi harian kami; Saya tidak perlu bimbang tentang kegagalannya, yang membolehkan saya memberi tumpuan kepada keutamaan lain. Ia betul -betul jenis bahagian yang boleh dipercayai setiap keperluan pasukan penyelenggaraan.
Alamat
Kawasan Perindustrian Luotuo, Daerah Zhenhai, Ningbo City, China
Tel
E-mel


+86-574-87168065


Kawasan Perindustrian Luotuo, Daerah Zhenhai, Ningbo City, China
Copyright © Raydafon Technology Group Co., terhad semua hak terpelihara.
Links | Sitemap | RSS | XML | Privacy Policy |
