Kod QR
Mengenai kita
Produk
Hubungi Kami


Faks
+86-574-87168065

E-mel

Alamat
Kawasan Perindustrian Luotuo, Daerah Zhenhai, Ningbo City, China
SWC-WD Raydafon pendek tanpa flex flange jenis gandingan sejagat dibina untuk menggerakkan tork dengan cekap di mesin rolling, kren, mengangkat peralatan, semua peralatan berat. Ia mempunyai reka bentuk bebibir yang tidak padat, bukan teleskopik, dengan diameter gyration antara 180mm hingga 1320mm. Gandingan universal flange pendek ini boleh mengendalikan misalignments sudut sehingga 15 darjah dan tork setinggi 16000 kn · m, jadi walaupun di ruang yang ketat di mana tidak banyak ruang, ia terus memindahkan kuasa dengan pasti. Kami membuatnya dari keluli 35crmo kekuatan tinggi, dengan struktur galas yang tidak memerlukan bolt-sempurna untuk gandingan sejagat untuk jentera berat dan gandingan universal bukan teleskopik untuk aplikasi perindustrian. Ia tidak memerlukan banyak pemeliharaan dan kekal selama -lamanya, yang betul -betul apa yang anda perlukan dalam persediaan yang sukar.
Pembuatan kami di China mengikuti piawaian ISO 9001, jadi gandingan universal SWC-WD memegang dalam keadaan yang keras. Aci salib bersalut krom untuk menahan kakisan, menambah ketangguhannya. Reka bentuk flange yang dikimpal dan dikimpal menjadikan pemasangan angin, terutamanya dalam peralatan metalurgi dan perlombongan di mana pergerakan paksi agak minimum. Kami boleh menyesuaikan saiz untuk memenuhi keperluan anda, jadi gandingan sejagat pendek yang tahan lama berfungsi dengan baik sebagai gandingan sejagat adat untuk sistem kren dan pekerjaan tugas berat yang lain. Dan harganya juga kompetitif. Ketukangan tepat Raydafon bermakna kurang downtime dan peralatan yang lebih dipercayai -sesuatu pengendali perindustrian di seluruh dunia boleh bergantung kepada.
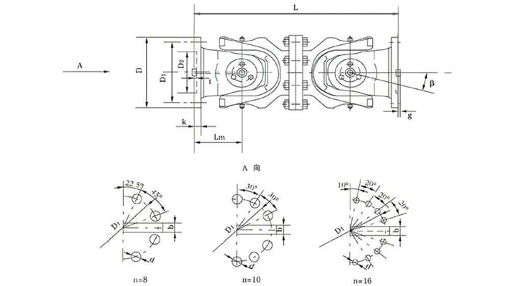
| Tidak | Gyration diameter d mm | Tork nominal Tn Kn · m | Sudut lipat paksi β (°) | Tork yang letih Tf Kn · m | Saiz (mm) | Berat (kg) | |||||||||
| Lmin | D1 (JS11) | D2 (H7) | Lm | N-D | k | t | b (H9) | g | Lmin | Peningkatan 100mm | |||||
| SWC180WD | 180 | 12.5 | 6.3 | ≤25 | 440 | 155 | 105 | 110 | 8-17 | 17 | 5 | - | - | 0.145 | 52 |
| SWC225WD | 225 | 40 | 20 | ≤15 | 480 | 196 | 135 | 120 | 8-17 | 20 | 5 | 32 | 9.0 | 0.355 | 82 |
| SWC250WD | 250 | 63 | 31.5 | 560 | 218 | 150 | 140 | 8-19 | 25 | 6 | 40 | 12.5 | 0.831 | 127 | |
| SWC285WD | 285 | 90 | 45 | 640 | 245 | 170 | 160 | 8-21 | 27 | 7 | 40 | 15.0 | 1.715 | 189 | |
| SWC315WD | 315 | 125 | 63 | 720 | 280 | 185 | 180 | 10-23 | 32 | 8 | 40 | 15.0 | 2.820 | 270 | |
| SWC350WD | 350 | 180 | 90 | 776 | 310 | 210 | 194 | 10-23 | 35 | 8 | 50 | 16.0 | 4.791 | 370 | |
| SWC390WD | 390 | 250 | 125 | 860 | 345 | 235 | 215 | 10-25 | 40 | 8 | 70 | 18.0 | 8.229 | 524 | |
| SWC440WD | 440 | 355 | 180 | 1040 | 390 | 255 | 260 | 16-28 | 42 | 10 | 80 | 20.0 | 15.320 | 798 | |
| SWC490WD | 490 | 500 | 250 | 1080 | 435 | 275 | 270 | 16-31 | 47 | 12 | 90 | 22.5 | 25.740 | 1055 | |
| SWC550WD | 550 | 710 | 355 | 1220 | 492 | 320 | 305 | 16-31 | 50 | 12 | 100 | 22.5 | 46.780 | 1524 | |
| SWC620WD | 620 | 1000 | 500 | 1360 | 555 | 380 | 340 | 10-38 | 55 | 12 | 100 | 25.0 | 83.760 | 2120 | |
* 1.
Gandingan Bersama SWC Universal Raydafon -biasanya dipanggil SWC Cardan Shaft Universal Bersama Gandingan -bukan sekadar sebahagian; Ia mesti ada dalam bidang perindustrian berat, seperti kilang rolling, peralatan angkat, dan pelbagai persediaan jentera berat yang sukar. Sebagai gandingan sendi sejagat yang tinggi, ia melakukan pekerjaan yang kukuh yang menghubungkan dua batang penghantaran yang tidak sejajar dengan sempurna, memastikan kuasa dapat disampaikan dengan lancar walaupun keadaan kerja benar-benar keras.
Mari kita bercakap tentang spesifikasi terasnya: diameter gyration berkisar dari φ58 hingga φ620, tork nominal dari 0.15 hingga 1000 kN · m, dan sudut lipat paksi tidak lebih dari 25 °.
Gandingan ini berfungsi dengan baik di tempat-tempat tertentu-seperti apabila anda memerlukan gandingan bersama sejagat yang boleh dipercayai untuk operasi kilang rolling, atau gandingan aci bersama SWC yang tahan lama dalam mengangkat dan peralatan pengendalian bahan. Dalam kes ini, ia menunjukkan kekuatannya: walaupun di bawah tekanan besar, ia terus beroperasi stabil, tidak ada kekacauan atau kerosakan.
Gandingan bersama SWC Universal Raydafon tidak hanya dibuang bersama-sama dengan kejuruteraan pintar, terkini untuk bekerja hebat dan tahan lama dalam penggunaan perindustrian. Mari kita berjalan melalui apa yang membuatkan strukturnya menonjol.
Pertama, ia mempunyai konfigurasi yang munasabah dan selamat: Kami menggunakan reka bentuk kepala garpu bersepadu untuk gandingan bersama universal perindustrian ini, yang mengurangkan risiko seperti bolt yang datang longgar atau pecah. Tweak itu sahaja menjadikannya 30% -50% lebih teguh, jadi ia berjalan dengan selamat dan konsisten. Berbanding dengan gandingan biasa, ia berlangsung lebih lama, dan ia mengelakkan masalah biasa di tempat-tempat ketegangan tinggi-seperti sistem gandingan bersama sejagat yang anda lihat dalam pekerjaan yang sukar.
Kemudian ada kapasiti galas beban yang dipertingkatkan: gandingan sendi universal yang berat SWC ini dibuat untuk mengendalikan berat besar, jadi ia mesti ada di tempat-tempat yang memerlukan pengendalian beban teratas, seperti gear perlombongan atau mesin pembinaan.
Ia juga mencecah kecekapan penghantaran tinggi -sehingga 98.6%. Sebagai gandingan sendi sejagat yang cekap untuk penghantaran kuasa besar, ia mengurangkan penggunaan tenaga dan kos yang datang dengannya. Itulah sebabnya ia merupakan pilihan utama untuk penyelesaian gandingan bersama sejagat yang menjimatkan tenaga dalam persediaan penghantaran industri tinggi.
Dan ia berjalan lancar dengan bunyi yang rendah: Transmisi tetap stabil, dan bunyi biasanya berlegar antara 30-40 dB (a). Gandingan sendi universal yang rendah ini terus beroperasi dengan tenang, yang sesuai untuk tempat perindustrian di mana bunyi bising adalah masalah-semua sambil mengekalkan kebolehpercayaan pada tahap yang tinggi.
⭐⭐⭐⭐⭐ Zhang Wei, Ketua Jurutera, Henan Mining Equipment Co., Ltd.
Kami telah meletakkan SWC-WD Raydafon pendek tanpa flex flange jenis gandingan sejagat di jentera perlombongan kami, dan ia sesuai. Reka bentuk padatnya adalah apa yang kita perlukan untuk ruang yang ketat di mana tidak banyak ruang untuk ganti, dan binaannya cukup sukar untuk memastikan operasi stabil. Walaupun ia berjalan tanpa henti di bawah keadaan tugas berat, gandingan ini tidak pernah membiarkan kita turun-tiada kegagalan sama sekali. Pasukan penyelenggaraan kami suka bahawa ia hampir tidak perlu diperiksa, yang bermaksud kami dapat mengekalkan pengeluaran dengan lancar tanpa kerumitan tambahan.
⭐⭐⭐⭐⭐ Michael Brown, Pengurus Operasi, Texas Steel Works, Amerika Syarikat
Bengkel Texas kami mengarahkan SWC-WD pendek tanpa flex flange jenis gandingan sejagat dari Raydafon, dan dengan jujur, kualiti telah meniup kami. Gandingannya dimesin dengan baik, memasangnya adalah cinch, dan mereka tetap boleh dipercayai walaupun di bawah beban. Apa yang paling banyak berlaku kepada saya? Seberapa baik ia mengimbangi harga dan prestasi -anda tidak sering mendapati tempat yang manis itu. Mencari pembekal yang secara konsisten menyampaikan tahap kualiti ini tidak mudah, tetapi Raydafon telah membuktikan bahawa mereka adalah rakan kongsi yang boleh dipercayai untuk kami.
⭐⭐⭐⭐⭐ Anna Müller, Penyelia Penyelenggaraan, Penyelesaian Perindustrian Berlin, Jerman
Kami meletakkan SWC-WD Raydafon pendek tanpa flex flange jenis gandingan sejagat di talian peralatan Berlin kami, dan hasilnya telah hebat. Produk itu sendiri merasakan batu-padat, kimpalan adalah tepat-tidak ada kerja yang tidak baik di sini-dan setakat ini, ia diadakan dengan baik, menunjukkan ketahanan yang paling baik. Berbanding dengan beberapa jenama lain yang kami gunakan di sini di Eropah, gandingan ini adalah cara yang lebih dipercayai, dan harganya juga lebih berdaya saing. Jika syarikat lain mencari gandingan sejagat yang boleh dipercayai, saya benar -benar mengesyorkan Raydafon.
SWC-WD Raydafon pendek tanpa flex flange jenis gandingan sejagat-sering dipanggil SWC Cardan Shaft Universal bersama gandingan-dibina untuk tempat perindustrian yang ketat, di mana ruang terhad dan anda memerlukan reka bentuk panjang tetap (tiada lanjutan teleskopik). Sebagai gandingan sendi sejagat yang tinggi, ia bergerak dengan cekap di antara aci yang tidak diselaraskan, mengendalikan penyimpangan sudut sehingga 25 darjah, dan ia tetap boleh dipercayai walaupun dalam persekitaran berat.
Mari kita bercakap tentang ciri-ciri utamanya: Ia mempunyai struktur padat dan tegar-persediaan flange yang pendek dan tidak fleksibel menjadikannya gandingan bersama sejagat yang boleh dipercayai untuk operasi kilang rolling, memberikan kestabilan tambahan dalam persediaan di mana pergerakan paksi adalah minimum. Itulah sebabnya ia berfungsi dengan baik untuk sambungan jarak jauh dalam jentera yang sukar. Kemudian ada kapasiti galas beban yang tinggi: kami menggunakan bahan-bahan yang sukar seperti besi tuang atau keluli aloi untuk membuatnya, jadi ia adalah gandingan aci bersama SWC sejagat dalam mengangkat dan peralatan pengendalian bahan. Ia memegang berat besar dan menghantar lebih banyak tork daripada gandingan lain diameter yang sama, yang menjadikannya sempurna untuk beban berat dalam perlombongan atau gear pembinaan.
Gandingan sendi universal perindustrian ini juga mengimbangi misalignment dengan baik -sama ada ia adalah sudut, selari, atau misalignment paksi, ia tidak merosakkan dengan kelajuan putaran atau pemindahan tork. Ini bermakna operasi lancar dalam sistem gandingan bersama sejagat sejagat. Dan ia cekap pada penghantaran kuasa: Memukul sehingga kecekapan 98.6%, gandingan sendi universal yang berat SWC ini menjadikan kehilangan tenaga rendah, menjadikannya gandingan bersama sejagat yang efisien untuk penghantaran kuasa besar dalam persediaan perindustrian kuasa tinggi.
Selain itu, ia direka untuk menjimatkan tenaga dan berjalan tenang-jika anda memerlukan penyelesaian gandingan bersama sejagat penjimatan tenaga, ini adalah pilihan utama, memotong kos operasi. Dan ia menyimpan bunyi antara 30-40 dB (a), jadi gandingan sendi universal yang rendah ini sesuai di tempat perindustrian di mana bunyi bising.
Gandingan ini benar-benar bersinar dalam senario tertentu-seperti apabila anda memerlukan gandingan bersama sejagat yang boleh dipercayai untuk operasi kilang rolling, atau gandingan aci bersama SWC yang tahan lama dalam mengangkat dan mengendalikan peralatan. Dalam kes ini, walaupun dengan beban yang melampau dan ruang yang terhad, ia menyimpan operasi stabil, tidak ada cegukan.
Ketika datang ke aplikasi gandingan bersama universal industri, varian SWC-WD kami menonjol dengan kejuruteraan pintar yang menjadikannya lebih baik dan bertahan lebih lama. Mari kita bercakap tentang struktur utamanya: ia mempunyai persediaan yang munasabah dan selamat dengan reka bentuk kepala garpu bersepadu-ini menghilangkan masalah seperti bolt yang datang longgar atau pecah, meningkatkan kekuatan keseluruhan sebanyak 30%-50%. Ini bermakna ia berjalan dengan selamat dan boleh dipercayai, bertahan lebih lama daripada model gaya lama, dan mengelakkan kerosakan biasa di tempat-tempat tekanan tinggi, seperti sistem gandingan gabungan sejagat yang berat.
Selain itu, ia boleh mengendalikan lebih banyak beban-kami membinanya untuk menyokong berat yang lebih berat, jadi gandingan sendi universal yang berat SWC ini sesuai untuk tempat yang memerlukan pengendalian beban yang sukar, seperti perlombongan atau peralatan pembinaan. Ia juga menggerakkan kuasa dengan cekap, memukul sehingga 98.6% kecekapan penghantaran. Sebagai gandingan sendi sejagat yang cekap untuk penghantaran kuasa yang besar, ia mengurangkan penggunaan tenaga dan kos yang datang dengannya, menjadikannya pilihan utama untuk penjimatan tenaga gandingan bersama sejagat dalam persediaan penghantaran industri tinggi.
Dan ia berjalan lancar dengan hampir tidak ada penghantaran bunyi yang tetap stabil, dan bunyi biasanya tinggal di antara 30-40 dB (a). Gandingan sendi universal yang rendah ini terus beroperasi dengan tenang, yang sesuai untuk tempat perindustrian di mana bunyi bising adalah masalah, semuanya sambil mengekalkan kebolehpercayaan pada tahap yang tinggi.
Raydafon bukan hanya nama lain di bahagian penghantaran-kami adalah pengeluar terkemuka dan pembekal komponen transmisi berprestasi tinggi dan penyelesaian jentera industri, dan kami mendapat tumpuan tajam terhadap produk seperti SWC Cardan Shaft Universal bersama gandingan. Kami memulakan untuk bersaing dengan apa yang diperlukan oleh industri global ketika mereka berkembang, dan dari masa ke masa, kami telah membina barisan penuh: kotak gear, aci pemacu, silinder hidraulik, kendi, alat mesin ketepatan-semuanya dibuat untuk meningkatkan seberapa baik sektor pertanian dan tugas berat yang berjalan. Kami besar dalam inovasi, itulah sebabnya kami dapat menyampaikan gandingan bersama sejagat yang boleh dipercayai untuk operasi kilang rolling yang sesuai dengan sistem yang paling kompleks tanpa halangan.
Kemudahan kami juga terkemuka, kami juga mempunyai bengkel CNC, gear rawatan pengisaran dan haba, dan sistem pengukuran 3D yang maju. Kami berpegang pada piawaian kualiti yang ketat seperti ISO9001/TS16949, dan persediaan itu membolehkan kami membuat penyelesaian gandingan bersama sejagat yang tinggi yang menggerakkan tork yang hebat dan mengendalikan misalignment seperti pro. Ambil gandingan aci sendi SWC yang tahan lama kami dalam mengangkat dan peralatan pengendalian bahan, contohnya-ia dibina untuk tempat-tempat yang memerlukan kuasa beban yang sukar. Dan garis gandingan bersama universal perindustrian kami? Ia meliputi semua jenis kegunaan di mana ketepatan dan kekukuhan paling penting.
Lapan puluh peratus daripada apa yang kita buat mendapat dieksport -nyata ke tempat -tempat seperti AS, Jerman, Jepun, Itali, Malaysia, Australia, dan Timur Tengah. Kami mempunyai rangkaian yang kuat di China, Korea Selatan, UK, Singapura, AS, dan Sepanyol juga, jadi kami pepejal di seluruh dunia. Jangkauan yang membolehkan kami menawarkan pilihan gandingan gandingan bersama SWC yang disesuaikan dengan SWC yang disesuaikan dengan apa yang diperlukan oleh pelanggan, seperti dalam sistem gandingan bersama sejagat sejagat yang berat di mana tetap stabil di bawah beban yang melampau tidak boleh dirunding.
Kami mengambil berat tentang kemampanan dan membuat penyelesaian yang meletakkan pelanggan terlebih dahulu. Itulah sebabnya kami membangunkan penyelesaian gandingan sendi sejagat menjimatkan tenaga yang mencapai sehingga 98.6% kecekapan transmisi penggunaan tenaga pemotongan dalam setup kuasa tinggi. Sama ada anda memerlukan gandingan bersama sejagat yang cekap untuk penghantaran kuasa besar atau gandingan bersama sejagat yang rendah untuk tempat perindustrian di mana bunyi bising adalah masalah, produk kami datang dengan perkhidmatan selepas jualan penuh. Itulah bagaimana kami menjadi rakan kongsi yang dipercayai dalam industri penghantaran -kami tidak hanya menjual bahagian, kami menyokong mereka.
Alamat
Kawasan Perindustrian Luotuo, Daerah Zhenhai, Ningbo City, China
Tel
E-mel


+86-574-87168065


Kawasan Perindustrian Luotuo, Daerah Zhenhai, Ningbo City, China
Copyright © Raydafon Technology Group Co., terhad semua hak terpelihara.
Links | Sitemap | RSS | XML | Privacy Policy |
